钢结构是由钢材组成的,是建筑结构的主要类型之一。 由于其重量轻、施工简单,被广泛应用于大型工厂、场馆、超高层等领域。 但其构件种类繁多、设计节点复杂、材料多样也使得钢结构的设计比其他建筑结构更加复杂。

因此,在钢结构的设计中,为了保证最终的设计结果符合国家标准并能够投入寿命和使用,钢结构设计国家标准《钢结构设计标准》GB50017-2017有严格的规定关于钢结构设计,特别是强制性规定4.3.2、4.4.1、4.4.3、4.4.4、4.4.5、4.4.6和18.3.3。 接下来我们就来看看钢结构设计需要遵循的规定:
01 一般规定
1、钢结构设计应包括以下内容:
1)结构方案设计,包括结构选型和元件布局;
2)材料选择和截面选择;
3)功能及效果分析;
4)检查结构的极限状态;
5)结构、部件及连接;
6)生产、运输、安装、防腐、防火要求;
7)特殊性能设计,满足特殊要求。
2、钢结构除疲劳设计应采用许用应力法外,还应按承载能力极限状态和正常使用极限状态进行设计。
3、计算结构或构件的强度、稳定性和连接强度时,应采用荷载设计值; 计算疲劳时,应采用载荷标准值。
4、对于直接承受动荷载的结构:计算强度和稳定性时,应将动荷载的设计值乘以动力系数; 计算疲劳和变形时,不应将动载荷标准值乘以动系数。 计算起重机梁或起重机桁架及其制动结构的疲劳和挠度时,应按跨度内载荷作用最大的起重机确定起重机载荷。
5、预应力钢结构的设计应包括预应力施工阶段和使用阶段的各种工况。 预应力索膜结构的设计应包括找形分析、荷载分析和切割分析三个相互制约的过程,并进行施工工艺分析。
6、结构构件、连接件和节点应采用下列承载能力极限状态设计表达式:
1)长期设计状态和短期设计状态:
y0S≤R
2)抗震设计状况:
地震频繁
S≤R/yRE
加强抗震
S≤Rk
式中:y0——结构的重要系数:一级安全结构构件不小于1.1,二级安全结构构件不小于1.0,安全结构构件不小于1.0三级。 应小于0.9;
S——承载力极限条件下作用组合的效果设计值:永久或短期设计条件应按基本作用组合计算; 地震设计条件应按地震作用组合计算;
R——结构构件承载力设计值;
Rk——结构构件承载力标准值;
yRE——承载力抗震调整系数,按现行国家标准《建筑抗震设计规范》GB 50011取值。
7、对于安全等级为1级或可能遭受爆炸、冲击等意外影响的结构,宜进行连续倒塌控制设计,以保证当部分梁或柱发生破坏时钢结构挠度检测作业指导书,结构有路径用于垂直荷载重新分布,以确保某些梁或柱失效。 楼板失效时结构的稳定性保证了部分构件失效后节点仍能有效传递荷载。
8、钢结构设计时,应合理选择材料、结构方案和施工措施,满足结构构件在运输、安装和使用过程中的强度、稳定性和刚度要求,并应满足防火、防腐要求。 应采用通用化、标准化的部件,并在考虑更换结构部件的可能性时提出相应的要求。 钢结构的结构应易于制造、运输、安装和维护,并应使结构上的受力简单、明确,减少应力集中,避免材料上的三维拉力。
9、钢结构设计文件应注明采用的规范或标准、建筑结构的设计使用寿命、抗震设防烈度、钢材等级、连接材料型号(或钢材等级)以及设计所需的附加保证项目。
10、钢结构设计文件应注明螺栓防松结构要求、端面压扁和紧固部位、钢结构最低防腐设计寿命、防护要求和措施、施工要求等。 对于焊接连接,应注明焊缝的质量等级和承受动载荷的特殊结构要求; 对于高强度螺栓连接,应注意预紧力、摩擦表面处理和抗滑移系数; 对于抗震钢结构,外露焊缝和钢材的特殊要求。
02 结构体系
1、钢结构的布置应符合下列规定:
1)应有垂直和水平载荷传递通道;
2)应具有刚度和承载能力、整体结构稳定性和构件稳定性;
3)应有冗余,避免因某些结构或构件的损坏而使整个结构体系失去承载能力;
4)隔墙、外护等宜采用轻质材料。
2、当施工工艺对主体结构受力、变形影响较大时,应进行施工阶段验证。
03 钢材牌号及标准
1、钢材应采用Q235、Q345、Q390、Q420、Q460、Q345GJ钢,其质量应符合现行国家标准《碳素结构钢》GB/T 700、《低合金高强度结构钢》GB/T 1591的规定和《建筑结构用钢板》GB/T 19879 结构钢板、热轧工字钢、槽钢、角钢、H型钢、钢管等型材产品的规格、外形、重量及允许偏差应符合国家相关标准。
2、Z向钢材用于焊接承重结构时,为防止钢材层状撕裂,其质量应符合现行国家标准《厚度方向性能钢板》GB/T 5313的规定。
3、暴露环境下对耐腐蚀性有特殊要求或处于腐蚀性介质环境下的承重结构,可采用Q235NH、Q355NH、Q415NH牌号的耐候结构钢,其质量应符合现行国家标准《耐候结构钢》GB/T 4171规定。
4、非焊接结构用铸钢件质量应符合现行国家标准《一般工程用铸造碳钢件》GB/T11352的规定。 焊接结构用铸钢件的质量应符合现行国家标准《焊接结构用铸钢》的规定。 《零件》GB/T 7659。
5、当采用本标准未列出的其他牌号钢材时,应按照现行国家标准《建筑结构可靠性设计统一标准》GB 50068进行统计分析,其设计指标和适用范围应按研究并确定。
04 材料选择
1、承重结构用钢材应具有屈服强度、抗拉强度、断后伸长率及硫、磷含量。 对于焊接结构,还应有碳当量保证。 焊接承重结构和重要非焊接承重结构所用钢材应有冷弯试验合格保证; 直接承受动载荷或需要进行疲劳校核的部件所用钢材还应具有冲击韧性合格保证。 (执行规定)
2、钢材质量等级的选择应符合下列规定:
1)A级钢只能用于结构工作温度高于0℃且不需要疲劳验证的结构,而Q235A钢不适合用于焊接结构。
2)需要疲劳验证的焊接结构用钢材应符合下列规定:
1))当工作温度高于0℃时,其质量等级应不低于B级;
2)工作温度不高于0℃但高于-20℃时,Q235、Q345钢不应低于C级,Q390、Q420、Q460钢不应低于D级;
3)工作温度不高于-20℃时钢结构挠度检测作业指导书,Q235钢、Q345钢应不低于D级,Q390钢、Q420钢、Q460钢应为E级。
3、需要进行疲劳校核的非焊接结构,其钢材质量等级要求可比上述焊接结构降低一级,但不应低于B级。对于带有起重机的中间工作吊车梁起重能力不小于50t,其质量等级要求应与需进行疲劳校核的部件相同。
4、具有弯矩调幅的塑性设计结构和部件,所用钢材应符合下列规定:
1)屈服强度比不应大于0.85;
2)钢材应有明显的屈服台阶,延伸率不应小于20%。
5、连接材料的选用应符合下列规定:
1)焊条或焊丝的型号和性能应与相应母材的性能相适应,熔敷金属的力学性能应符合设计规定,且不应低于相应母材的力学性能下限。贱金属标准;
2)对于直接承受动载荷或需要疲劳验证的结构,以及在低温环境下工作的厚板结构,宜采用低氢焊条;
3)用于连接薄钢板的自攻螺钉、钢铆钉(环槽铆钉)、钉子等应符合相关标准的规定。
05 设计指标及设计参数
1、钢材的设计强度指标,应根据钢材的牌号、厚度或直径,按下表采用。 (执行规定)

2、建筑结构用钢板的设计强度指标可根据钢种的厚度或直径按下表采用。

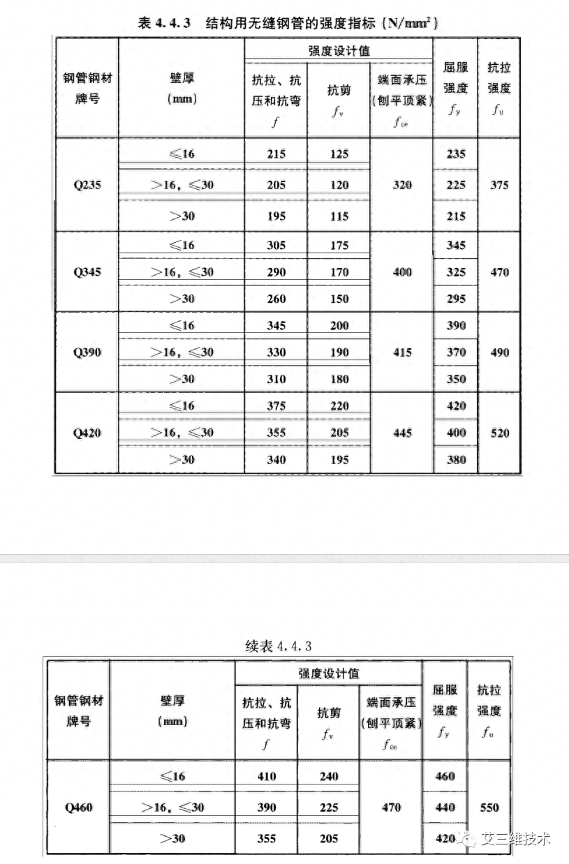
3、结构用无缝钢管的强度指标宜采用下表所示。 (执行规定)

4、铸钢件的强度设计值宜采用下表所示。 (执行规定)

5、焊缝强度指标应采用下表所示,并应符合下列规定:(强制性规定)
1)手工焊用的焊条、自动、半自动焊用的焊丝和焊剂应保证熔敷金属的力学性能不低于母材金属的力学性能。
2)焊缝质量等级应符合现行国家标准《钢结构焊接规范》GB 50661的规定,检验方法应符合现行国家标准《钢结构施工质量验收规范》的规定。 《结构工程》GB 50205。厚度小于6mm的钢材对接焊缝,不宜采用超声波探伤来判定焊缝质量等级。
3) 受压区对接焊缝抗弯强度设计值为fwc,受拉区对接焊缝抗弯强度设计值为fwt。
4)计算下列条件下的连接时,应将下表规定的强度设计值乘以相应的折减系数; 当多个条件同时存在时,应将折减系数相乘:
①施工条件较差的高空安装焊缝应乘以0.9的系数;
②计算无垫板单面对接焊缝连接时,应乘以折减系数0.85。

6、螺栓连接的强度指标宜采用下表所示。 (执行规定)

7 铆钉连接的强度设计值应按下表所示,并按下列规定乘以相应的折减系数。 当下列条件同时存在时,折减系数应相乘:
1)施工条件较差的铆钉连接应乘以系数0.9;
2)沉头、半沉头铆钉连接应乘以系数0.8。

8、钢及铸钢件的物理性能指标应采用下列规定。

06 结构分析与稳定性分析
1、建筑结构的内力和变形可以根据结构静力学方法进行弹性或弹塑性分析。 当弹性分析结果用于设计时,型材宽厚比等级为S1、S2、S3的构件可发生塑性变形。 发展。
2、结构稳定性设计应考虑结构分析或构件设计中的二阶效应。
3、结构的计算模型和基本假设应与构件连接的实际性能一致。
4、框架结构的梁柱连接宜采用刚性连接或饺子连接。 梁、柱半刚性连接时,应考虑梁柱交叉角变化的影响。 分析内力时,应假设连接的弯矩-旋转曲线。 设计节点时,应保证节点的结构与假定的弯矩-转角一致。 曲线拟合。
5、计算桁架杆件内力时,应符合下列规定:
1)计算珩磨件轴向力时可采用节点接头假设;
2) 当节点板连接的桁架腹杆及节点受荷载的弦杆为单角钢、双角钢或T型钢时,不需计算节点刚度引起的弯矩效应。经过考虑的;
07 钢结构连接
1、钢结构构件的连接方法应根据施工环境条件和受力性质来选择。
2、同一连接部位不得使用普通螺栓或承压高强螺栓与焊接接头; 改扩建工程中的加固措施,可采用摩擦型高强螺栓和承受相同受力的焊接螺栓。焊接连接的计算和施工应符合行业标准《建筑结构技术规范》第5.5条的规定。钢结构高强度螺栓连接》JGJ 82-2011。
3、沿杆轴线方向受拉连接宜采用C级螺栓。 它们可在以下情况下用于剪力连接:
1)承受静荷载或间接承受动荷载的结构中的二次连接;
2)承受静载荷的可拆卸结构的连接;
3)临时固定部件的安装连接。
4. 沉头和半沉头铆钉不得用于拉杆轴线方向拉力的连接。
5、钢结构焊接连接的结构设计应符合下列规定:
1)尽量减少焊缝数量和尺寸;
2)焊缝的排列应关于构件截面的质心轴对称;
3)节点区域留有足够的空间,以便于焊接操作和焊后检查;
4)应避免密集焊缝和二、三路交叉;
5)焊缝位置应避开最大应力区;
6)焊接连接应具有同等强度; 不同强度钢材连接时,可采用与低强度钢材相匹配的焊接材料。
除上述规定外,本设计标准还对受弯构件、轴力受力构件、拉弯压弯构件、加筋钢板剪力墙、钢混凝土组合梁等作出了相关规定,不再赘述。详细描述见这里。 ,有兴趣的相关从业者可以查看《钢结构设计标准》GB50017-2017。

钢结构设计完成后,为了保证钢结构的安全性和稳定性,我们需要对钢结构进行分析。 目前钢结构分析主要采用有限元分析来分析钢结构的内力(轴力、剪力、弯矩、扭矩)载荷,结构在动载荷(自振周期)作用下的动力响应,振型)和土壤结构。 分析风、地震和移动(线性位移、角位移)载荷等的相互作用。

现阶段,在钢结构工程中,为了降低钢结构设计与分析的难度,提高钢结构工程计算的准确性,需要使用钢结构设计与分析软件STAAD。
STAAD 是一个完全集成的有限元分析和设计解决方案,包括出色的用户界面、可视化工具和国际设计规范。 它可用于分析几乎所有受静载荷、动力响应、土壤-结构相互作用或风、地震和移动载荷影响的结构类型。

使用 STAAD 确保任何复杂的钢、混凝土、木材、铝和冷弯钢结构项目按时、按预算完成。

凭借灵活的建模环境和动态变更修订和管理等高级功能,您可以:

STAAD 拥有 80 多个国际代码,可用于:
1. 分析重力和横向载荷
设计和分析各种载荷条件下的简单或复杂结构,包括重力载荷(例如恒载和活载荷)、跨越条件以及横向载荷(包括风和地震力)。
2、遵循抗震要求
根据相关建筑规范设计和详细设计地震系统,以产生地震荷载。 在设计元素以及设计框架和更大的结构系统(如果适用)时考虑这些力。 在设计元素的比例和详细设计时,请遵循所选设计规范的延展性要求。
3. 结构模型设计与分析
快速对整个结构进行建模,包括甲板、楼板、楼板边缘和开口、梁、柱、墙、支架、延伸和连续的基础和盖帽。 高效地自动执行多项耗时的设计和分析任务,并生成可记录的实用系统和组件设计。

4. 有限元设计与分析
使用我们最先进的有限元分析准确高效地完成整个建筑结构的分析、设计和绘图。 使用我们的快速求解器减少或消除等待结果的时间。
5.设计梁、柱、墙
优化或分析梁、柱和墙壁上的重力和横向荷载,以快速实现安全且经济的设计。 自信地生产符合美国标准以及许多国际设计规范和建筑规范的设计。
6. 检查冷弯型材设计
使用综合的冷弯型材库设计轻质钢构件,无需单独的专用应用程序。
7、设计抗侧向力框架
对支撑框架和抗弯框架进行抗震和抗风建筑规范检查。 为您的结构项目快速获得安全可靠的设计。
8.国际标准设计
在产品设计中使用广泛的国际标准和规范,扩展您的业务实践,并利用全球设计机会。 受益于国际标准的广泛支持并充满信心地完成您的设计。

9. 生成设计载荷和载荷组合
使用内置载荷生成器将规范要求的风荷载和地震荷载施加到结构上。 根据结构几何形状、地块尺寸和选定的建筑规范条款自动计算相关荷载参数,无需单独进行手动计算。 使用载荷组合生成器将这些横向载荷工况与重力和其他类型的载荷组合起来。
10.导入在DXF中创建的剖面图形状
快速导入 DXF 图纸中详细说明的公制或英制格式的自定义截面轮廓。 或者使用简单的关键尺寸或从一系列标准库中选择的标准来定义一般形状。

11、筏基一体化设计
使用集成到分析主模型中的专业应用程序设计筏和基础。 创建设计计算和加固图纸。 使用 ISM 从 BIM 模型添加设计信息。
12、一体化钢结构节点设计
在单一集成环境中设计钢结构连接。 将焊缝形态、构件尺寸和合力直接从 3D 分析传输到钢结构节点设计应用程序。 这可以实现高效的信息重用,并减少因结构变化而导致的返工量。
13. 生成截面性能报告
快速计算剖面属性并轻松生成有关自定义剖面图的详细报告。
14.生成结构设计文件
自动生成结构设计文档,包括必要的平面图和立面图以传达设计意图。 对 3D 模型的更改会在文档中自动更新。

15. 共享结构模型
将结构模型几何形状和设计结果从一个应用程序传输到另一个应用程序并同步未来的更改。 快速共享结构模型、图纸和信息以供整个团队查看。
16、充分利用国际标准截面型材
使用丰富的国际标准横截面配置文件库(免费)来完成结构模型。 利用全球设计机会。

如果您有钢结构设计分析需求,或者想购买STAAD,请关注“AI3D科技”微信公众号联系我们。
关注“AI 3D科技”微信公众号,观看直播! 获取 BIM 软件 7 天免费试用和 12 个 BIM 软件系列教程,以及定期发送的精彩案例和 BIM 解决方案!