第三章 钢结构连接
3.9 钢结构柱脚节点施工及计算
3.9.1 钢结构柱脚分类
柱脚的作用是将柱固定在基础上,并将柱的内力传递给基础。
柱脚的结构要求:将柱内力可靠地传递到基础; 与基金会有牢固的联系; 并尽可能符合计算图。
钢结构柱脚按结构受力分类,大致可分为铰接柱脚和刚性连接柱脚两类。
(1) 铰接柱脚:
铰接柱脚只传递垂直力和水平力,不传递弯矩; 一般有轴承式铰接柱脚和平板式铰接柱脚两种。

工程中常用的铰接柱脚示例如下:


常用铰接柱脚的详细结构如下:


(2)只需连接立柱底座:
刚性连接的柱脚除了传递垂直和水平力外,还传递弯矩;
一般有外露式柱脚、插入式柱脚、嵌入式柱脚、包裹式柱脚四种。
工程中常用的刚性连接柱脚示例如下:



常用刚性柱脚的详细结构如下:





3.9.2 钢结构柱脚总体结构
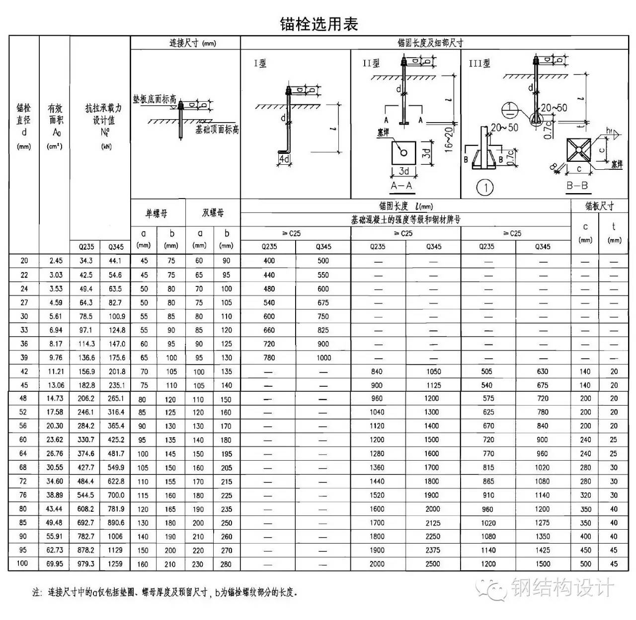
(1)柱脚地脚螺栓的选择
铰接柱脚地脚螺栓的直径通常根据与钢柱板厚度和底板厚度相协调的原则确定。 一般在20mm~42mm范围内选取,不宜小于20mm。
刚性连接的柱脚锚固件在柱脚弯矩作用下承受拉力,用于安装过程中的固定。 地脚螺栓直径根据抗拉承载力设计值计算确定。 地脚螺栓的直径不应小于30mm。 若门式刚架结构底脚地脚螺栓设计值较小,可选用直径27mm或24mm,但不应小于24mm。
柱脚底板的锚固孔直径应为地脚螺栓直径加5~8mm; 锚垫的锚栓孔径应为锚栓直径加2mm。
立柱安装校正后,锚固垫板与底板应焊接牢固; 地脚螺栓应采用双螺母紧固。 为防止螺母松动钢结构课程设计,应将螺母与锚定垫板进行电焊。
地脚螺栓选型表如下(点击放大图片):

(2)柱脚地脚螺栓的安装措施
为保证地脚螺栓能够准确定位,应采用具有足够刚度的固定支架,并注意在浇筑混凝土时不要移位。
常用的地脚螺栓固定支架示例如下:


(3)柱脚抗剪件
不宜采用外露柱脚锚栓来承受柱脚底部的水平反力。 该水平反力由底板与混凝土基础的摩擦力(摩擦系数可为0.4)或设置抗剪力来承受。 即当水平力>0.4倍轴压时,应设置抗剪件。
实际工程中,无论裸露柱基础计算是否需要抗剪件,一般都应设置抗剪件。
剪力键的施工方法如下:

3.9.3 钢结构柱脚计算
本节主要介绍外露刚性柱脚的计算。 计算的主要内容包括:根据结构确定底板和加劲板的尺寸、校核混凝土压力、校核锚栓拉力和剪力、校核底板厚度、校核加劲肋尺寸等。
钢框架结构柱的底板厚度一般在20mm~40mm之间,且不宜小于14mm,且不宜小于钢柱较厚的板厚。
下图是我们为外露刚性连接柱脚编写的计算程序(可以点击看大图)。 计算方法参见《钢结构连接节点设计手册(第二版)》第8章第8节内容。 计算需要输入钢柱截面信息、材料信息、荷载信息。 程序可以根据钢结构连接节点设计手册中的计算方法检查相关柱脚尺寸和承载力。



如需查看往期课程钢结构课程设计,请点击以下链接:
第一章 钢结构概述
第二章 钢结构材料
第三章 钢结构连接