从设计角度分析钢结构住宅体系的特点,介绍异型钢柱住宅项目的设计思路。 对框架结构不同阻尼比的使用、基础方案等问题进行数据对比分析; 总结设计中常见问题及注意事项; 并对设计标准提出不同意见。

1、钢结构住宅系统的选择
从已竣工的钢结构住宅来看,主要包括:
1)薄壁钢复合墙板形式;
2)纯框架形式;
3)框架支撑形式;
4)钢-混凝土组合形式;
5)钢框架-混凝土抗震墙模板等。
这些结构形式中的每一种都有其自身的特点。 其中,薄壁钢塑复合墙板形式特别适合定型产品。 其体系是由墙板结构演变而来,即将薄壁钢柱构件按600mm左右的间距排列,形成竖向承重结构。 设置支撑系统来抵抗水平力。 楼板按竖向钢筋的位置排列成密肋支撑结构。 由于上部结构为墙板式结构,其基础根据受力情况设置为条形基础,对基础的要求不高。 受结构密集的影响,薄壁钢塑复合墙板房屋对开间、门窗洞口、突出构件的尺寸有一定的限制。
后一种形式可以满足多高层住宅的设计要求,但从使用角度来看,存在一个共同的问题,即突出的梁、柱对住宅内部观感的影响。 与其他建筑相比,住宅有其自身的特殊性。 办公室、工厂可以采用相对固定的柱网,层高也较高。 梁柱所占据的空间给人一种合适的感知。 柱网的规则有利于梁的布置。 相反,住宅建筑是多种产品。 根据建筑的要求,很少布置规则的网格柱。 房屋内开间较小,变化较大,不利于钢架的布置。 由于钢材的特性,在住宅中只能形成框架体系或桁架体系。 可以说,框架体系如果适用于普通住宅,那么钢框架一定有它大显身手的地方。 如果说普通框架结构无法解决住宅应用的问题,那么传统的钢框架系统在普通住宅中使用时也存在类似的弱点。
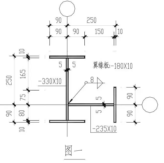
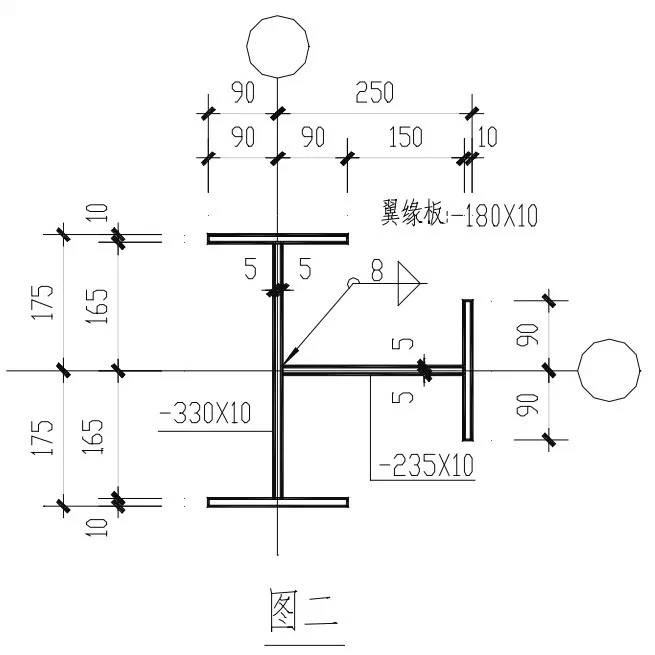
受短肢剪力墙结构的启发,钢结构住宅设计中将钢柱设计成异形柱,以满足建筑变化的要求。 图1为两根异形钢柱的截面图。 根据建筑墙体厚度减去面层厚度设定翼缘宽度。 框架梁与异型钢柱各方向翼缘刚性连接。 图2显示了相应的节点连接细节。
异型钢柱示意图


异型钢柱梁柱节点详图


某住宅项目三层样板间设计为异型钢柱纯框架结构。 建筑采用块状隔墙。 竣工后,无论是外观还是室内观感均令人满意钢结构楼板构造详图,与住宅成品(混凝土剪力墙结构)的实际效果相符。 下图是样板房的实际场景。

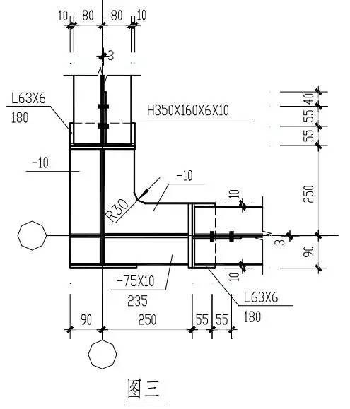
工业厂房设计中经常使用异型钢柱。 采用机架受力系统时,异型钢柱常设计成主力方向双轴对称或单轴对称。 厂房纵向支撑系统用于抵抗纵向水平力。 拉杆、支撑构件多与异形柱的弱轴心轴连接,便于利用杆系统软件进行结构的概念设计和计算。 异形钢柱在住宅中的应用与厂房的设计有很大的区别。 下图是厂房梁柱连接方式和住宅梁柱连接方式的简单对比。

可见,住宅建筑中梁、柱的截面质心不在同一位置,不符合常规设计理念。 使用杆系统软件计算时无法解决离轴问题。 尽管如此,与短肢剪力墙结构相比,笔者认为异形柱由原来较大的矩形框架柱截面或整个混凝土墙修改为较小的截面积,这也减少了截面面积。相应的截面特征。 异型钢柱是在工字梁截面上增加T形截面,相应增加了弱轴方向的截面特性钢结构楼板构造详图,特别是钢梁弱轴与钢结构之间的刚性连接节点柱体改造成与柱翼的连接。 边缘连接优于普通设计中工字钢柱弱轴方向加延伸连接板的刚性连接,加强了工字钢柱弱轴的稳定性,非常有利以保证结构安全。 一般认为工字钢柱弱轴刚性连接不可靠,因此很多施工手册推荐采用铰接框架加支撑系统或弱轴钢管柱设计方案。 抗震规范“柱在两个相互垂直的方向上与梁接触”。 刚性连接时宜采用箱形截面。 仅单向刚性连接时,应采用工字型截面,柱腹板应布置在刚性连接框架的平面内。”虽然规范中没有明确表示不能使用工字钢。柱的弱轴与钢梁刚性连接,但根据抗震规范中节点的抗震承载力验证要求,弱轴连接一般不能满足相关规定的要求,与箱形柱相比,异型工字钢柱加工施工较容易,节省钢材,与框架支撑体系相比,减少了支撑件数量,从应用角度看,可灵活应用于住宅墙体,满足建筑师的需求。住宅内部的要求。对暴露的结构构件没有要求。
异型钢柱在结构分析中存在以下问题:
1)异型钢柱全断面受力情况分析。 这主要是指在弱轴上增加一个T形构件。 这部分的截面特性是否会相应增大,包括T形件离轴距离的影响? 笔者认为,不同类型的钢柱,其截面性能的增加比例是不同的;
2)异型钢柱局部稳定性计算,可参照规范中中心柱板宽厚比进行控制;
3)梁柱节点偏离钢柱心轴时的整体应力分析。 这个问题使用普通的杆系计算软件是无法解决的。 理想的计算模型应采用有限元整体建模方法进行内力分析,可以解决上述问题,但建模工作量太大。
设计时按下列原则确定柱截面:
1)根据方钢管柱方案进行结构分析。 根据计算应力比结果接近0.9,选择框架梁截面尺寸。 根据方钢管的截面特点选择X、Y方向工字钢截面。 计算中不考虑网络。 利用板函数初步确定异形柱截面;
2)按工字钢柱方案进行结构分析。 异形柱T形件的排列方向已设定。 采用柔性支撑代替异型柱中T型构件对工字梁弱轴的刚度影响。 计算基于侧移钢框架。 调整异型钢柱内工字钢的截面尺寸; 完成后,调整工字梁和柔性支撑的布置方向,并检查由T形构件和工字梁腹板组成的工字梁的截面尺寸;
3)根据上一步建立的模型,选择工字梁强轴所在的单框架进行抗震验证。 仅参考工字钢强轴应力计算结果检查异型柱单向受力是否满足;
4)根据上述计算结果,人工计算梁柱节点的抗震承载能力,并在基础设计时考虑离轴引起的附加弯矩;
5)采用普通工字钢柱、方钢管柱按无支撑框架体系进行正常设计。 钢梁根据设计中选定的截面进行计算。 根据相应的计算结果,计算出钢柱的用钢量,控制异形柱的用钢量。 数量的上限和下限。
上述方法没有计算公式和规定可供依据,也没有对离轴引起的附加弯矩的整体影响进行处理。 这就是为什么作者只将其应用到二层和三层住宅建筑的设计中,而没有在较高的项目中使用特殊形状的原因。 钢柱的原因。 笔者提出异形钢架方案,希望得到大家的批评指正。
2、设计细节问题
1. 选择合适的结构阻尼比进行整体计算。 根据抗震规范要求,除非另有规定,建筑结构的阻尼比应为0.05。 当阻尼比不等于0.05时,应对地震影响系数曲线进行修正,钢结构相关阻尼比选择值见表1。
表1 不同结构阻尼比应用值

从表1数据可以看出,不同的钢结构体系其地震影响系数不同。 如果结构分析时阻尼比选择错误,将对设计结果产生较大影响。 其中,钢管混凝土和钢-混凝土混合结构是两种材料共同作用的。 选择阻尼比时,应根据两种材料的应用比例综合考虑阻尼比。 结构的整体刚度越软,选择的阻尼比越低。

2 刚性连接柱座设计
常见的柱底座分为嵌入式、外包式和外露式。 裸露式多用于住宅设计。 与其他两种方法相比,更易于现场安装定位。 设计时应注意柱脚的刚度是通过底板的弹性变形或塑性变形来实现的。 这意味着整个结构的变形包括钢结构本身的变形和底板拉伸变形引起的整体变形。 例如,分析内力时,将裸露的柱基视为刚性柱基,设计时必须考虑层间位移角的限制。 同时应考虑底部钢柱弯矩反力点向下移动引起的柱顶弯矩的增加。
根据节点设计要求,为保证罕见地震时柱脚节点不先于钢柱失效,柱脚节点连接的极限弯曲承载力应大于全塑性弯曲荷载的1.2倍——钢柱承载力(Wpnx·f)。 常见的设计方法是根据柱脚反力来确定柱脚螺栓的直径和连接焊缝。 这样只能保证柱脚节点有一定的强度,在频繁的地震作用下不致损坏。 但柱脚弯矩设计所需的截面抗力模量一般小于钢柱本身的截面抗力模量(Wx)。 以H628X260X10X14工字钢为例,为1.2·Wpnx/Wx=1.36倍。 对于外露式来说很难满足这一设计要求。 另外两种柱基方式在传递钢柱内力时可以轻松满足前述要求。 设计中传力清晰、计算容易、结构简单、节省钢材。
插入式立柱底座结构比嵌入式简单。 大多数书籍认为可靠性不如嵌入式。 建议用于单层钢结构厂房,不适用于高层建筑钢结构。 笔者认为,多层建筑可以采用钢结构,因为在很多工业项目中,单层厂房的高度通常为10~30m。 厂房内有多台起重机和大量维修平台。 单柱荷载和地震作用往往大于普通住宅建筑。 在这种情况下,如果多层住宅柱的概念设计和计算设计符合规范的要求,那么采用插接式是没有问题的。 新的钢结构规范还增加了插入式柱脚设计和施工的要求。

3. 地坪设计
楼板包括预制楼板、现浇楼板、组合楼板等。使用预制楼板时,楼板接缝处开裂造成翼缘一侧附加弯矩的影响应考虑由于温度变化、荷载分布等,即钢梁平面内的整体弯曲应力和翼缘平面外的弯曲应力。 双向组合后,必须满足换算后的应力极限。 在某些项目中,楼板放置在下翼缘上。 这个问题必须特别注意。 压型钢板复合楼板广泛应用于钢结构住宅。 整体分析时必须考虑组合板的各向异性对框架梁的影响,包括根据楼板设置确定是连续板还是简支板,以及力传递路径是否是单向的。 或者是按强边还是弱边组合双向钢梁还是组合钢梁所造成的刚度差异; 设计楼板时,应避免楼板向一个方向集中,使结构体系形成水平或竖向承重,并合理布置组合楼板,尽量形成双向承重结构。

4、梁、柱刚性连接设计
梁、柱之间的刚性连接计算可按普通设计法或全截面弯曲设计法进行。 当钢梁翼缘弯曲承载力大于全断面承载力的70%时,可采用通用设计方法进行设计。 当小于70%时,宜采用全断面弯曲设计方法。 在住宅设计中,钢梁多属于前者。 常用的设计方法的计算原理是翼缘和腹板分别承受弯矩和剪力。 一般认为计算简单,结果偏向安全。 事实上,根据多高层建筑钢结构梁、柱刚性连接节点的抗震设计和多高层建筑钢结构梁、柱刚性节点设计,很难无需任何处理即可实现钢梁、钢柱的螺栓焊接等强连接。 强节点和弱构件的设计要求包括加强节点设计的详细设计和施工说明。 主要有三种方法:在梁端翼缘上添加焊接楔形盖板、在梁端底部添加腰部以及狗骨式连接。 经过实际应用,笔者认为这三者都存在增加施工难度的问题。 第四种方法:加宽梁端翼缘的方法,但在标准图集中并未作为主要推荐方法介绍。 当建筑物对梁宽没有要求时,这种连接方法是最实用、方便的。

3、设计标准问题
1、“轻量化”钢结构理念存在的问题
近年来,由于“轻量化门式刚架住宅”一词的出现,轻(质)钢的概念在很多设计师,包括结构设计师的脑海中形成。 当遇到附属建筑设施或看似不重要的结构时,当时提出采用“轻钢”来解决问题,但没有注意分析这部分对主体结构的影响。 事实上,在结构概念设计时应该清楚,“轻”实际上是指结构承受相对较轻的荷载。 在住宅设计中,荷载使用标准不会因为钢结构的使用而降低。 无论结构体系采用钢结构还是混凝土结构,在构件效应分析中原则上没有区别。
2、多高层钢结构设计的差异
根据规范的相关规定,包括钢结构抗震调整系数、框架柱长细比、框架构件宽厚比等控制条款,以12层为区分点,因此可以理解为高高层钢结构建筑是指12层以上的建筑。 高标准中高层建筑是指10层及以上或建筑高度超过28m的建筑,包括混合结构。 参考国外一些国家,高层建筑的起始高度大多定在25至30米或8至11层。 从这一点来看,我国多层钢结构的适用范围高于普通结构,也高于国外标准。 多高层钢结构不仅结构不同,而且相关的抗震调整系数也不同。 极限值相差太大。 正如上表1所解释的,作者认为这种区分过于宽泛。 举个例子:平均层高为4m,12层建筑高度为48米,是高层规定28米限制的1.7倍。 这导致以下问题。 混合结构中,混凝土结构应按高层规范设计,钢结构可按多层结构设计。 已实施两项标准。
3.《钢结构设计规范》
新版规范对住宅结构设计几乎没有指导意义。 新版规范延续了工业建筑钢结构设计的指导思想。 例如,允许变形值按工厂构件分类,民用建筑构件不细分; 温区设置需要采用机架结构。 这种划分没有考虑纵向、横向承重系统和钢-混凝土组合结构的特点,特别是强制性规定第8.1.4条“结构应根据其形式、组成和结构应配备可靠的支撑系统”。加载。” 建筑各温度段或区域建筑末端应设有独立的空间稳定支撑系统。”从字面理解,钢结构不应采用无支撑的纯框架结构,这显然与实际应用不符。如果不一致,则应根据结构设计需要确定是否设置支撑,根据规定,我们也可以知道这是原则性规定,但作为强制性规定,必须严格执行。民用建筑的使用要求与工业建筑不同,包括一些结构体系也有差异,应区别对待。
与其他规范不断完善抗震内容相比,新版本仅在总则中提到应符合相关抗震规范。 看来抗震设计在钢结构中并不重要。 事实上,北岭地震和阪神地震之后,国外就开始关注它。 国内关于钢结构抗震设计研究的文章很多,应该有很多成果可以总结成文献。 我国抗震规范规定,根据抗震设防烈度应采取不同的抗震措施,但钢结构的抗震要求没有区别是不妥的。
4、钢结构住宅的设计应尊重住宅使用的基本要求。
钢结构住宅是未来发展的重要方向,但钢结构只是建筑的承重系统和服务部分。 它不是建筑物使用的主要组成部分。 钢结构住宅的设计首先要遵循住宅建筑设计的一般原则,其次,充分发挥钢结构的优势,单纯突出钢结构而不考虑生活的舒适度和舒适度的钢结构住宅项目是没有市场的。未能满足人文要求。 对于钢结构住宅,我们不能因为要推广钢材在建筑中的应用,就简单地强行将其用于住宅结构。 这对于推广钢结构住宅没有实际意义。 相对而言,公共建筑、体育场馆、工业厂房等是钢结构在施工中最能发挥其优势的领域。 近年来,我们深刻感受到了这种应用的变化。