张丽君
钢框架连接节点抗震验证的要求是:一是弹性相等; 二、“连接的极限承载力应大于构件的屈服承载力”,两者之比≥连接系数
。 连接节点的抗震验证反映了连接(焊接或螺栓连接)和构件的相对强度,要求“强连接弱构件”。 除校核柱拼接和柱脚时需要考虑轴力设计值的影响外,其他连接的抗震计算仅与构件的材料和规格有关,与内力设计无关组件的值。
《抗阻规程》给出了各种连接极限承载力的计算公式:


蓝色箭头指向连接的极限承载力,绿色箭头指向构件的屈服承载力。
《高钢规定》规定了极限承载力和屈服承载力的具体计算方法。 然而,我们发现有几个问题需要讨论。
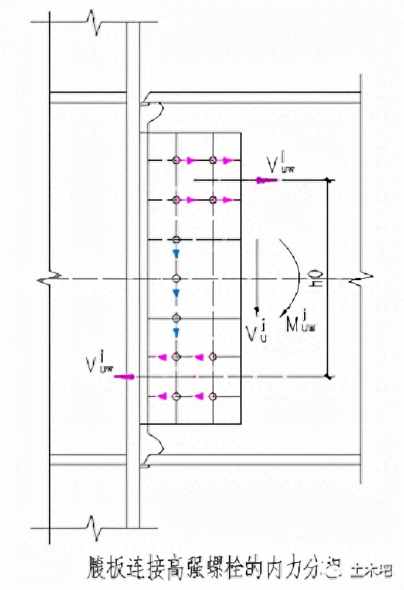
1 梁柱刚性连接腹板高强螺栓连接极限承载力计算
验证公式如下:


式(8.2.1)体现了“强连接、弱构件”,式(8.2.4)是连接极限承载力的计算公式。 下面解释几个概念。
1、连接极限承载力控制值计算公式与连接极限承载力计算公式的区别:
公式(8.2.4-2)和(8.2.4-3),文字标题为“……连接的极限弯曲能力”,但公式中没有与连接(焊缝或螺栓)相关的参数公式。 也就是说,这个公式并不是“连接极限抗弯承载力计算公式”钢结构节点连接三维图,而是有待设计的“连接极限抗弯承载力控制值计算公式”。 获得该控制值后,即可计算出螺栓或焊缝的极限承载力。 《高钢规》除了附录F中提供了梁腹螺栓拼接的极限承载力验证公式(下图)外,没有提供其他连接的极限承载力验证公式。
区分连接极限承载力控制值计算公式和连接极限承载力计算公式,有利于明确计算步骤,特别是避免漏掉连接板与连接件之间焊缝的验证。柱法兰。
参见下图,梁柱刚性连接中腹板高强螺栓连接的极限抗弯承载力计算公式为:

2. 腹板连接极限弯曲承载力公式(8.4.2-3)不成立:
式中左边为腹板连接的极限弯曲承载力,右边为连接板(或梁腹板)的屈服承载力。 两者不应该是等号,而应该将右边乘以连接系数,即如下公式:
3、腹板螺栓连接极限剪力承载力计算校核公式(8.2.5-1)与(8.2.5-1)不一致:

式(8.2.5-1)左边为腹板连接极限弯曲承载力的控制值。
求得水平极限剪承载力控制值
,然后乘以连接系数
;
式(8.2.5-2)左边为腹板连接竖向极限抗剪承载力控制值
,不乘以
。
同样是极限抗剪承载力一乘以连接系数
如果一不繁衍,就没有和谐。
另外钢结构节点连接三维图,式(8.2.5-1)左边
连接的极限弯曲承载力对应于连接的极限剪切承载力。 为什么连接与连接之间要乘以连接系数呢?
呢绒?
推导如下:

与(8.2.5-1)相比,该式左边没有连接系数。
4、总结:
《高钢规》公式(8.2.4-3)右边应乘以连接系数
, 改成:
式(8.2.5-1)左边应删去连接系数
, 改成:
现在:

式(8.2.5-1)和(8.2.5-1)左边没有连接系数,是一致的。
2、校核外包裹柱脚极限抗弯承载力时的纵向钢筋强度值
1、短柱纵向钢筋用量过大:
外型柱座一般反映短柱纵向钢筋用量过大。 可以参考公众号“从钢结构到装配式钢结构建筑”上的文章“外包柱脚,你还好吗”? 》。 下图摘自文章:柱脚短柱截面为1100x1100,纵向钢筋为56Φ50,配筋率达到9.08%:

别的不说,如果纵筋之间的净距小于18mm,那是极不可行的。 如果按照纵向钢筋最小净间距50mm估算,短柱截面至少需要1550x1550。 事实上,考虑到安装钢柱时地脚螺母的拧紧空间,钢筋的净间距最好在150mm左右,短柱的截面会更大。 施工时曾出现过短柱纵筋过密而无法拧紧柱脚螺母的情况,只好将纵筋截断。 这是不允许的。
我对比了手工计算和软件计算,发现配筋量的主要区别在于
价值。
无论是基于极限强度值还是基于屈服强度值,配筋量都有很大差异,见下表:
钢筋等级
屈服强度标准值
极限强度标准值
HRB335
第335章
第455章
1.36
HRB400
400
540
1.35
HRB500
500
630
1.26
下图摘自《高钢规》。 绿色箭头所指的注释是可见的,
代表“钢筋的最小抗拉强度”。

由《高钢规》表4.2.1可知,钢材的最小抗拉强度为
,即钢材的极限抗拉强度。

可见式(8.6.3-5)中
该值应根据钢筋的“标准极限强度值”确定。 但也有人认为,《混凝土结构设计规范》的符号注释中,
它代表钢筋屈服强度的标准值,因此应按“屈服强度标准值”取值。
2.建议:
验算包裹柱脚极限抗弯承载力时,钢筋混凝土短柱纵筋强度应按《极限强度标准值》确定。 在确定短柱截面尺寸和布置纵筋时,必须充分考虑安装钢柱时拧紧地脚螺栓的施工操作空间,必须消除不可避免的纵筋截断现象。