
本文转载自PKPM结构科技(id:PKPM-systems)
项目概况
(1)设计信息
某客户需要建造一个66X75m的仓库。 根据客户要求,宽度方向为66m,3跨,跨度分别为24m、18m、24m。 柱距7.5m,檐口高度6m。 屋顶采用0.5mm压型钢板+75mm厚保温棉(容重14kg/m3)+0.4mm衬板,材质为Q345。
(二)方案选择
1.跨度:
考虑到特殊的使用要求(中间18m兼作交通走道),客户明确了上述跨度要求。 为了帮助读者了解如何找到最经济的结构方案,笔者还研究了21m+24m+21m或18m+30m+18m的跨度方案。 三种方案各框架用钢量对比如下:
24m+18m+24m,每个框架用钢4.9吨;
21m+24m+21m,每个框架用钢4.2吨;
18m+30m+18m.,每架用钢4.6吨;
一般来说,如果可能的话,将框架设计成对称结构,各跨跨度基本相同,中间跨略大于边跨,是更经济的解决方案。 在本项目中,由于客户需要将中间跨度(18m)设置为走道,笔者并不建议他们改为更经济的跨度方案(21m+24m+21m)。
2、柱距选择:
由于本工程总长75m,故柱距为7.5m,即10@7.5。 读者还可以对比7.75+7@8.5+7.75的列距方案。 后者也是一种更经济的植物间距解决方案。
3.屋面梁拼接节点设置
节点设置需要考虑以下因素:
(1)拼接点应尽量靠近反弯点。 一般反弯点位于跨度的1/4~1/6处。 根据这一原则,对于24m跨度,拼接点设置在距立柱24*(1/4~1)处。 /6)=4~6m比较合适。 对于18m跨度,应设置为18*(1/4~1/6)=3~4.5m;
(2)单位长度不应超过最大可运输长度,一般不超过12.5m;
(3)尽量减少拼接数量,因为拼接节点需要端板和高强度螺栓,这也会增加工程成本;
(4)拼接节点应避开抗风柱、拉杆的连接位置,以免连接不便;
考虑到各种因素,我们对屋顶梁进行了分段,如图3-26所示。 节点A为边柱与梁的拼接节点,D为中心柱与梁的拼接节点。 通常,这里的屋顶梁是连续的。 这是由于此处的弯矩较大。 对于屋脊节点F,我们通常不建议在此断梁。 原因是这里通常有抗风柱和屋顶拉杆。 如果安装拉杆,会造成连接不便。 这样,66m的顶梁就被分成了7段。 读者可以尝试研究其他不同的光束分割方法并与该解决方案进行比较。

4、柱脚与梁的铰链及刚性连接设置:
由于本工程檐高较低,不通行,柱脚可铰接。 中心柱采用摆柱,即柱与梁采用铰接方式连接。 计算图如图3-26所示。
(3)荷载计算
1、恒载计算:
作用在屋顶梁上的恒荷载为:
0.5mm厚压型钢板,重量0.5*7.85*1.25= 5.0 Kg/m2
75mm厚保温棉(容重14kg/m3)75*14/1000=1.05Kg/m2
0.4mm厚屋面衬板,重量0.4*7.85*1.1=3.5Kg/m2
屋面檩条重量一般为3-5Kg/m2
屋面支撑、拉杆、檩条、角撑等重量可为2Kg/m2
以上总重量约为15Kg/m2,作用在框架上的恒载为0.15KN/m2*7.5m=1.125KN/m,见下图:

2、活荷载计算:由于每框承重面积A=66*7.5=495m2>60m2,故活荷载可取0.3KN/m2。
3、屋顶悬荷载按客户要求取0.1KN/m2。 由于STS软件不具备这个基本工作条件,所以我们在活荷载中考虑悬荷载。 活荷载取0.4KN/m2,这样作用在框架上的荷载 活荷载为0.4KN/m2*7.5m=3.0KN/m,见下图

4、风荷载计算:
日照市风荷载标准值为0.4KN/m2。 根据CESE 102:2002,内标跨的风荷载型系数如下图所示:

则作用在框架梁、柱上的风荷载为:
0.4*7.5*(+0.25)=0.8KN/米
0.4*7.5*1.05*(-1.0)=-3.15KN/米
0.4*7.5*1.05*(-0.65)=-2.0KN/m
0.4*7.5*1.05*(+0.55)=-1.7KN/米
输入风荷载时,需要注意STS中的符号与体形系数的符号不同。 体形系数的正负由风吸力或风压来定义。 风吸力为负,风压为正。 进入程序时,载荷方向与坐标正方向一致,为正。


结构布局
本工程全长75m。 根据《门钢》4.2.2.2条规定,无吊车时,柱间支撑间距宜为30~45m。 因此,本工程需要3个柱间支撑,分别位于端跨和较多的中间跨。
同时,规范第4.2.2.3条规定pkpm建筑钢结构工程设计实例,当建筑宽度大于60m时pkpm建筑钢结构工程设计实例,内柱宜适当增设柱间支撑。 本工程跨度66m>60m。 根据规定,B轴、C轴应增设柱间支撑。 但由于该项目客户的工艺要求,不允许内部柱间支撑(事实上,这种情况在实际项目中经常遇到)。 需要提醒设计者的是,当支撑跨度较大时,设计者需要对屋盖和柱间支撑的受力进行严格的有限元分析。 必要时,屋顶支撑和柱间支撑需采用双圈。 钢、角钢甚至圆管。 有些设计师不顾压力,总是使用圆钢作为屋顶或柱支撑。 根据经验,圆钢的规格通常为直径16至27毫米。 这种做法是非常危险的。
本工程通过计算发现,靠近端部的屋面圆钢支撑需采用双圆钢(2φ24),柱间支撑也需采用2φ24双圆钢支撑。 本项目支持方案如图3-32所示。

建立计算模型
由于本项目不通行,柱脚可铰接,中柱可采用摆动柱。 计算图及单元节点划分见下图。

内力计算及计算结果查看
根据STS计算结果,现将节点控制内力列出如下:

说明: 1、表中弯矩单位为KN·m。 对于梁的上部,张力为“+”,下部为“-”。 轴向力和剪切力的单位为KN。 轴向力“+”为拉力,“-”为压缩力。 ,剪切力“+”表示逆时针方向,“-”表示顺时针方向;
2、计算柱脚时,Qmax最不利的组合应该是剪力大而轴力小的情况;
同时,STS还提供了图形查询功能。 通过后处理菜单,您可以轻松查看弯矩、剪力和轴向力的值。 图3-34、图35和图36分别显示了弯矩、轴向力和剪切力。 信封图。 通过这些直观的图形,工程师可以方便地检查部件的内力并进行计算结果。

查看、分析和调整设计结果
STS拥有先进的后处理系统,可以按照现行设计规范对梁柱构件进行强度、稳定性和变形检测。 相关检查结果如下图所示。

钢结构应力比图说明:
1. 柱左侧:考虑屈曲后所施加的弯矩与抗弯承载力之比;
2.右上:面内稳定应力比(对应长细比);
3.右下:面外稳定应力比(对应长细比);
4、在梁上:考虑屈曲后所施加的弯矩与抗弯能力之比;
5.左下:面内稳定应力比;
6. 右下:面外稳定应力比。

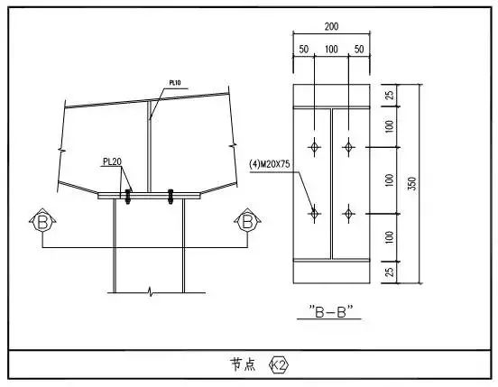
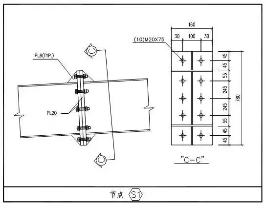
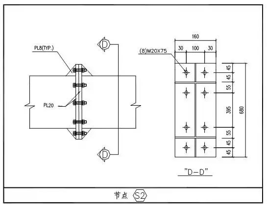
结构、部件和连接设计
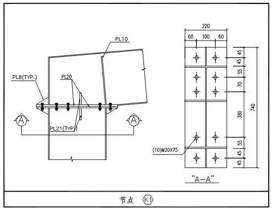
STS可以根据计算出的内力来计算节点。 为了让读者了解如何设计节点,这里计算了典型节点。
对于节点1计算,根据表3-7,选择弯矩最大的组合进行截面设计。 对应的内力设计值为:Mmax=-294.44KN·m,N=-80.57KN,Q=53.44KN。
首先根据结构要求布置螺栓,见图3-41。

施工设计










